GEFAHR: Niemals die Anschlussklemmen und Steckverbindungen öffnen oder berühren, solange sich die Maschinen nicht im spannungslosen Zustand befinden!
Arbeiten an elektrischen Einrichtungen dürfen nur von Elektrofachkräften durchgeführt werden.
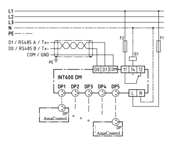
Das Diagnosesystem ermöglicht die Ausgabe von Daten über die DP-Schnittstelle, die von AmaControl erfasst werden. Über die 5 DP-Eingänge können Daten von AmaControl eingelesen und auf das Modbus-Protokoll umgesetzt werden. Es ist möglich, bis zu 5 Schutzmodule mit dem INT600 DM Gateway zu verbinden. Hierbei ist für jedes Diagnosegerät ein entsprechendes DP-Kabel erforderlich, das separat bestellt werden muss.
Die eingebauten LEDs signalisieren die aktuellen Aktivitäten des Gateways. Auf diese Weise können Benutzer die Leistung der Maschine in der realen Anwendung bewerten und gegebenenfalls schneller auf Störfälle reagieren. Das INT600 DM Gateway liest die DP-Schnittstelle ein und gibt die Informationen über eine RS485-Schnittstelle (Modbus-Protokoll) aus. Die Materialnummer des Gerätes lautet 01913082.
Abbildung: INT 600 DM Gateway
Abbildung: Anschlussschaltbild
Kommentare
0 Kommentare
Bitte melden Sie sich an, um einen Kommentar zu hinterlassen.