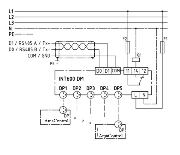
Wie sieht das Anschluss-Schaltbild von AmaControl Gateway INT600 DM aus? Ricardo Ayala 4. November 2025 14:15 GEFAHR: Niemals die Anschlussklemmen und Steckverbindungen öffnen oder berühren, solange sich die Maschinen nicht im spannungslosen Zustand befinden! Arbeiten an elektrischen Einrichtungen dürfen nur von Elektrofachkräften durchgeführt werden. Abbildung: Anschluss-Schaltbild INT 600 DM-Gateway Weiterführende Informationen, Links, etc.Link zur Seite mit der Betriebsanleitung von AmaControl im Produktkatalog auf ksb.com (unter "Dokumente" am Ende der Seite) Link zur Seite mit der Zusatzbetriebsanleitung "Modbus-Protokoll AmaControl" im Produktkatalog auf ksb.com (unter "Dokumente" am Ende der Seite) Kommentare 0 Kommentare Bitte melden Sie sich an, um einen Kommentar zu hinterlassen.
Kommentare
0 Kommentare
Bitte melden Sie sich an, um einen Kommentar zu hinterlassen.