GEFAHR: Niemals die Anschlussklemmen und Steckverbindungen öffnen oder berühren, solange sich die Maschinen nicht im spannungslosen Zustand befinden!
Arbeiten an elektrischen Einrichtungen dürfen nur von Elektrofachkräften durchgeführt werden.
Funktionsweise
Das Modbus RTU-Modul wird für die Anbindung des Frequenzumrichters an ein Modbus RTU System eingesetzt. Im Einzelpumpenbetrieb wird je Frequenzumrichter ein Modul benötigt. Ein Mehrpumpen-System (MPO) kann sowohl über ein Modul im Master-PumpDrive als auch über mehrere redundante Module überwacht, gesteuert und beobachtet werden.
Schnittstelle
Das Modbus-RTU-Modul verfügt über eine RS485-Schnittstelle mit Modbus-RTU Protokoll gemäß Spezifikation V1.1b. Die Einstellung der Adresse, Baudrate und Parität erfolgt über Parameter im Frequenzumrichter.
Folgende Paritäten sind möglich:
None: 2 Stopp Bits,
Even: 1 Stopp Bit,
Uneven: 1 Stop Bit
Die Messgrößen können direkt gelesen werden. Will man Parameter schreiben, so muss man dies in den Einstellungen des PumpDrive 2 angeben.
Zum Auslesen der Register müssen immer 2 Register gelesen werden, Anfragen mit nur einem Register (Quantity of Registers = 1) werden vom PumpDrive 2 nicht verarbeitet, da alle übertragenen Werte zwei Register breit sind.
Die Daten werden im Big Endian Format übertragen, d.h. bei 32-bit Zahlen das höherwertige Byte im ersten Register und das niederwertige Byte im zweiten Register liegt.
Werden die Register in Dezimal adressiert bzw. ausgelesen, so beginnt der Adressbereich bei 40000 bzw. 40001 (systemabhängig).
Zum Umrechnen der Adresse finden Sie ein Excel Tabelle im Anhang.
Die Verbindung zu anderen Busteilnehmern erfolgt über geschirmte Verbindungsleitungen mit verdrillten Aderpaaren für die Datenleitungen. Das Kabel sollte einen Wellenwiderstand von 120 Ohm haben. Verbindung über B-kodierte M12-Stecker/-Buchse.
Die Busverbindung ist zwischen den beiden Steckverbindungen des Modbus-RTU-Moduls als T-Stück durchgeschleift. Auch bei spannungslosem Frequenzumrichter wird die Verbindung zu weiteren Teilnehmern entlang der Linie unterbrechungsfrei ermöglicht.
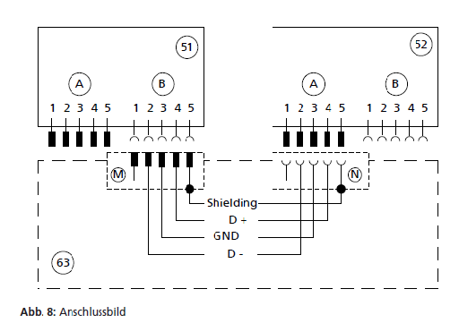
Anschlüsse
Als Verbindungsleitung muss ein für Modbusmodule spezifiziertes Kabel mit folgenden Eigenschaften verwendet werden:
- Flexibel
- Verdrillte Adern für die Datenleitung (D0-D1)
- Der Wellenwiderstand sollte mindestens 100 Ohm betragen.
- Dritte Ader oder Zweite Aderpaar für die gemeinsame Masse
| Pin |
Aderfarbcode |
Belegung M12-Stecker / M12-Buchse (B-Kodierung) |
Signal | |
| Kabel (CAN Open) | Kabel (DIN 47100) | |||
| 1 | - | - | VP (+5V) | +5V |
| 2 | Blau | Braun | D- | RS-485 A/ Data- |
| 3 | Schwarz | Grün | GND | GND |
| 4 | Weiß | Weiß | D+ | RS-485 B/ Data- |
| 5 | Schirm | Schirm | Schirm | Schirm |
| Gewinde | - | - | Schirm | Schirm |
Busabschluss: Die Abschlusswiderstände müssen folgendem Standard entsprechen: Profibus Standard DP DIN 19245 Teil 3 Kapitel 6.3
Der Abschlusswiderstand des Feldbusmoduls kann direkt auf die M12-Buchse aufgesteckt werden. Bei spannungslosem Feldbusmodul erfolgt keine Buspolarisierung. Sollte der Busabschluss unabhängig von der Versorgung des Feldbusmoduls sein, muss dieser mit einem aktiven Busabschluss extern vorgenommen werden.
Busabschluss
Am letzten Teilnehmer der Modbus-Linie muss ein Busabschlusswiderstand eingesetzt werden.
Der Busabschlusswiderstand ist als Zubehör zur direkten Montage an der M12-Buchse des Modbus-RTU-Moduls erhältlich (siehe Hardware).
Achtung: Bei spannungslosem PumpDrive 2 wird die Buskommunikation weiterhin über das interne T Stück aufrecht erhalten.
Achten Sie darauf, dass ein Potentialausgleich gemacht ist, ansonsten könnten Potentialausgleichsströme über den Bus fließen und die Kommunikation erschweren.
Hardware
PumpDrive 2 Feldbus-Kit ModBus RTU: Ident-Nr. 01551016
M12-Stecker zum Selbstkonfektionieren: Ident-Nr. 01651264
M12-Buchse zum Selbstkonfektionieren: Ident-Nr. 01651298
Abschlusswiderstand M12 für Modbus / Profibus / BACnet: Ident-Nr. 01125102
Weiteres Zubehör finden Sie im Baureihenheft PumpDrive 2/ECO
Kommentare
0 Kommentare
Bitte melden Sie sich an, um einen Kommentar zu hinterlassen.