GEFAHR: Niemals die Anschlussklemmen und Steckverbindungen öffnen oder berühren, solange sich die Maschinen nicht im spannungslosen Zustand befinden!
Arbeiten an elektrischen Einrichtungen dürfen nur von Elektrofachkräften durchgeführt werden.
Funktionsweise
Das ProfiNet-Modul wird für die Anbindung des Frequenzumrichters an ein ProfiNet-Netzwerk eingesetzt. Je Frequenzumrichter im Einzelpumpenbetrieb und Mehrpumpenbetrieb wird ein ProfiNet-Modul zur Überwachung, Steuerung oder Regelung benötigt.
Schnittstelle
Das ProfiNet-Modul verfügt über eine Schnittstelle mit ProfiNet-IO-Protokoll gemäß Spezifikation "Profile for Intelligent Pumps" Version Version 1.0 (2422).
Die Einstellung erfolgt über Parameter im Frequenzumrichter. Zum Lesen der Prozessgrößen brauchen die Einstellungen nicht geändert werden. Lediglich beim Steuern des PumpDrive 2 über den Bus müssen die Settings dementsprechend geändert werden.
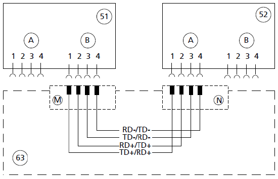
Die Verbindung zum Frequenzumrichter erfolgt über 4-polige M12-Ethernet Verbindungsleitungen mit D-kodierten Steckern (Siemens Standard). Diese müssen vom Kunden beschafft werden.
| Pin | Aderfarbcode Ethernetkabel (Kategorie 5, IEC 11801) | Belegung M12-Stecker/M12-Buchse (D-Kodierung) |
| 1 |
Gelb |
TD+/RD+ |
| 2 |
Weiß |
RD+/TD+ |
| 3 |
Orange |
TD-/RD- |
| 4 |
Blau |
RD-/TD- |
| Gewinde |
Schirm |
Schirm |
Bei Verwendung der Sterntopologie zum Anschluss der Feldbusmodule bleibt auch beim Spannungsausfall eines Frequenzumrichters die Feldbusfunktionalität der übrigen Frequenzumrichter gewährleistet. Bei Anbindung der Feldbusmodule in Bustopologie ist diese Funktion hingegen nicht mehr gegeben, da der im Feldbusmodul integrierte Switch nur an einem spannungsversorgten Frequenzumrichter funktioniert und die nachfolgenden Feldbusmodule in das Netzwerk einbindet.
Es sind keine Abschlusswiderstände erforderlich.
| 1 | PROFINET-Controller |
| 2 | M12-Kabel Mehrpumpenbetrieb |
| 3 | M12-Kabel PROFINET |
| 4 | Weitere Teilnehmer im Netzwerk |
| 5 | PROFINET-Switch |
| 6 | PROFINET-Netzwerkverbindung |
Hardware
PumpDrive 2 Feldbus-Kit ProfiNet: Ident-Nr. 01551038
Weiterführende Informationen, Links, etc.
Kann das Profibus-/ProfiNet-Modul mit einer externen 24V Versorgung ausgestattet werden?
Wieso funktioniert das ProfiNet-Modul bei der Nachrüstung nicht?
Wieso geht der Zugriff auf den PumpDrive über das Profibus/Profinet-Modul verloren?
Wieso wird die IP-Adresse im Profinet-Modul nicht angezeigt?
Wo findet man die passende GSDML-Datei für den PumpDrive 2/ECO?
Kommentare
0 Kommentare
Bitte melden Sie sich an, um einen Kommentar zu hinterlassen.