GEFAHR: Niemals die Anschlussklemmen und Steckverbindungen öffnen oder berühren, solange sich die Maschinen nicht im spannungslosen Zustand befinden!
Arbeiten an elektrischen Einrichtungen dürfen nur von Elektrofachkräften durchgeführt werden.
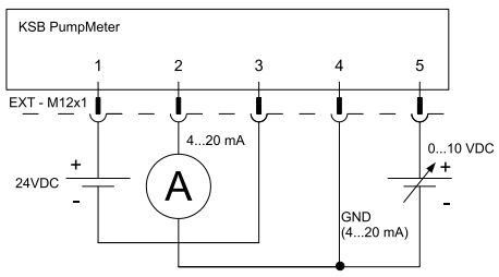
Bei dem Anschluss des PumpMeter kann man über die Polarität der 24 V Versorgung verschiedene Konfigurationen einstellen.
Belegung des M 12 Stecker
Skalierung der analogen Ausgänge in Abhängigkeit der verwendeten Sensoren
Anschluss an einer Pumpe ohne Frequenzumrichter analoger Ausgang 4-20mA = Endrucksensor
Anschluss an einer Pumpe mit Frequenzumrichter analoger Ausgang 4-20mA = Enddruck
Bei Betrieb mit einem Frequenzumrichter muss die Drehzahl aus dem Frequenzumrichter als 0-10 V Signal aufgelegt werden. Ohne dieses Signal ist im Frequenzumrichter Betrieb keine Bestimmung des Betriebspunkts möglich.
Anschluss an einer Pumpe ohne Frequenzumrichter analoger Ausgang 4-20 mA = Differenzdruck
Anschluss an einer Pumpe mit Frequenzumrichter analoger Ausgang 4-20 mA = Differenzdruck
Des Weiteren kann der geschätzte Förderstrom ausgegeben werden. Dies ist aber nur in Verbindung mit dem Servicetool möglich.
Kommentare
0 Kommentare
Bitte melden Sie sich an, um einen Kommentar zu hinterlassen.