GEFAHR: Niemals die Anschlussklemmen und Steckverbindungen öffnen oder berühren, solange sich die Maschinen nicht im spannungslosen Zustand befinden!
Arbeiten an elektrischen Einrichtungen dürfen nur von Elektrofachkräften durchgeführt werden.
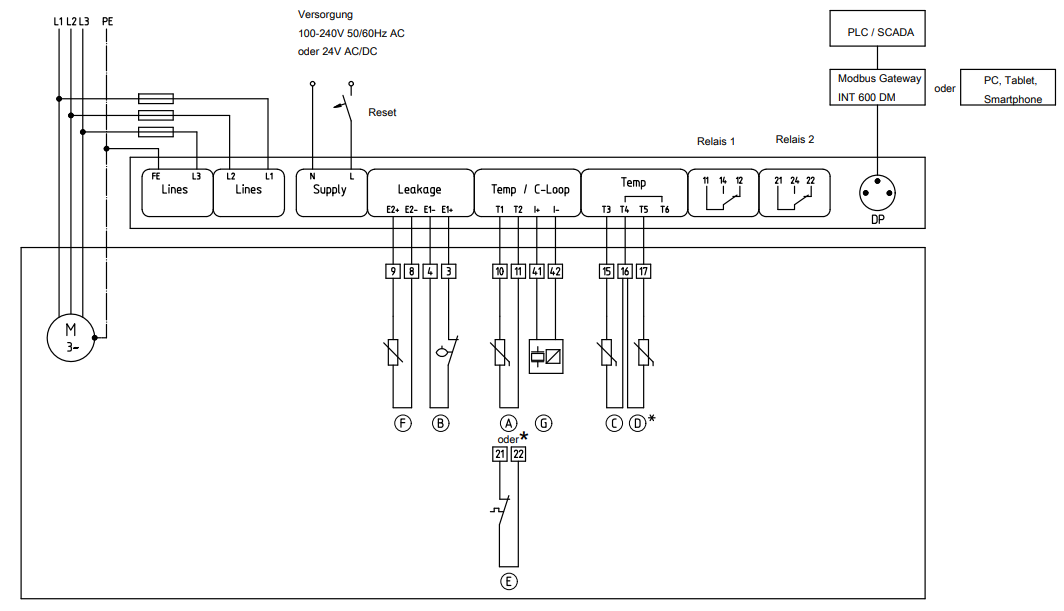
Abbildung: Anschlussplan für AmaControl 3 mit Schwingungssensor
|
A |
Motortemperatur (PTC) |
| B | Gleitringdichtungsleckage |
| C | Lagertemperatur (pumpenseitig) |
| D | Lagertemperatur (motorseitig*) |
| E | Motortemperatur |
| F | Leckage im Motor |
| G | Schwingungssensor |
*Optional/Konfiguration anpassen
Weiterführende Informationen, Links, etc.
Wie sieht ein geeigneter Anschlussplan für AmaControl 3 ohne Schwingungssensor aus?
Kommentare
0 Kommentare
Bitte melden Sie sich an, um einen Kommentar zu hinterlassen.